CTESTWINのバンド選択に連動してアンテナを切り替える機能です。
リグコントロールを行っている場合は、リグのバンドを変えるとアンテナを自動的に切り替えることができます。
本機能を使用する場合には、専用のアンテナ切替器が必要になります。切替器は市販されていませんので下記5項を参考に自作してください。
切替信号は、シリアルポート(COMポート)のRTS,DTR,TXDの3本の出力信号を使用します。
それらの3本の信号はON/OFFを任意に設定できるため、組み合わせ(2の3乗)で最大で8台のアンテナを切り替えることができます。
また、シングルバンド部門参加時に、複数のアンテナを切り替えて使用することを想定し、CTESTWINの画面からマウスクリックでアンテナを切り替えることもできます。
リグコントロールは、最大4台のリグに対応していますので、本アンテナ切替器もそれぞれのリグに対応して最大4台のアンテナ切替器を制御できます。
その場合、リグの選択に対応したアンテナ切替器が切り替わり動作します。
一部のリグのみは、現在選択していないリグのバンドが変わった場合も切り替わります。(ICOM,Kenwood,YAESUの新しい機種,JRC,OmniRig)
OmniRigを重複したリグ番号(Rig1またはRig2に設定したのと同じ機種をRig3または4にも設定した場合)に割り当てた場合は、正しく動作しません。
注:バンドやリグを切り替えた時は、アンテナも正しく切り替わっていることを必ず確かめてから送信を開始してください。
万一、リグコントロールで周波数が読み取れない場合に正しいアンテナに切り替わらず、リグが壊れる可能性があります。
1.設定
メニューの「設定」「アンテナ切替設定」「Rig1」を選択すると以下の画面が表示されます。
まず、左上の「アンテナ切替器を有効にする」をチェックしてください。
上述のようにRig1〜Rig4の最大4台のアンテナ切替器の設定ができますが、リグコントロールを使用しない場合はRig1のみになります。(リグコントロールの設定をしたいない場合、メニューの当該リグはグレーアウト表示になります)
以下の初期値は、ANT1が1.9MHz,ANT2が3.5MHz,ANT3が7MHz,ANT4が14MHz,ANT5が21MHz,ANT6が28MHzにそれぞれ対応付けられている。(未使用バンドはANT1)

最初にアンテナ切替に使用するシリアルポート(COMポート)の番号を左下に設定してください。(初期値がNoneになっています)
例えば、21,28MHzのデュアルバンドアンテナを使用する場合は、21MHzと28MHzに同じアンテナを選択してください。
CTESTWIN上の操作は特になく、バンドを切り替えると自動的に設定された通りの信号が出力されて、アンテナが切り替わります。
2.シングルバンドに複数アンテナで参加する場合について
上記設定画面の「マニュアル切替」のラジオボタンを押すと、以下のように設定画面が変わります。

1項同様に各スイッチを選択した時に、選択したいアンテナを選択してください。
「切替スイッチ表示」ボタンを押すと、以下の画面が表示されます。CTESTWINメイン画面のメニューから「表示」「アンテナ切替(マニュアル)」からも表示できます。
リグコントロールを設定していない場合は、Rig1のみ使用可能です。

各ボタンを押すと、アンテナを切り替えることができます。
ダイアログの右下をドラッグすると、縦横サイズが変わり、フォントサイズも自動的に変化します。
フォントは、「フォント」「アンテナ切替」で任意に変更ができます。
各ボタン上でマウスを右クリックすると、RigxSW1〜RigxSW8の文字を任意に変更することができます。
例えば、Rig1SW1はGP、Rig1SW3は東京方面のように変更ができます。

使用しないボタンは、「無効」の列にチェックを入れるとボタンが消えて選択できないようになります。初期値では、上記のようにSW7とSW8が無効になっています。
「備考欄にANTを記録する」にチェックを入れると、使用したアンテナ名称が備考欄に自動的に入ります。シングルバンドで複数アンテナを使用した場合にそれぞれのQSOでどのアンテナを使用したかが後で判るので便利です。
3.切替スイッチについて
CTESTWNは、COMポートのRTS,DTR,TXDの信号を出力するだけですので、実際のアンテナ切替器は、各自で工夫して作成してください。
参考までに3本の信号を8本のアンテナ切替信号にデコードするにはロジックIC 74HC138などをご利用ください。(A,B,C入力端子にRTS,DTR,TXDを接続して、Y0〜Y7出力端子をアンテナ選択スイッチ信号として使います)
下記5項に回路図例を記載しますので参考にしてください。
4.アンテナの設定とRTS/DTR/TXDの対応
設定画面で、ANT1〜ANT8を設定しますが、設定とRTS/DTR/TXD信号の対応は下表のようになっています。
1は、UARTの出力がHigh,0はLowです。
| アンテナ | TXD | RTS | DTR |
| ANT1 | 0 | 0 | 0 |
| ANT2 | 0 | 0 | 1 |
| ANT3 | 0 | 1 | 0 |
| ANT4 | 0 | 1 | 1 |
| ANT5 | 1 | 0 | 0 |
| ANT6 | 1 | 0 | 1 |
| ANT7 | 1 | 1 | 0 |
| ANT8 | 1 | 1 | 1 |
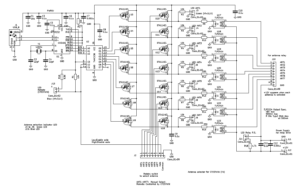
5.回路例
ハムフェア 2025にて配賦するアンテナ切替器キットの回路図を以下に示します。
USB-Serial変換はCH340Gを使用して、DTR,RTS,TXDの3信号を74HC138で8本にデコードしています。(内、7本を使用して、7本のアンテナ切替に対応しています)
回路図下のJ2は、ロータリースイッチへの接続コネクタで、AUTOの位置でCTESTWINから自動切換えができます。ロータリースイッチをANT1〜ANT7に切り替えるとマニュアル切替ができるようになっています。
